HGW9-12高壓隔離開關
產品概述:
HGW9-12隔離開關概述:
HGW9-12KV老型隔離開關是我公司吸收國外先進技術開發的一種高性能隔離開關,具有接觸可靠、通流能力大、有一定防弧能力等優點。用于額定電壓為10kV的電力系統中,作為有電壓的情況下接通和隔離電源之用,本隔離開關帶負荷情況下一定要用專用手持式負荷開斷裝置來操作,以免引起人員傷亡和設備損壞。
我公司開發的該產品可分為樹脂支柱型和復合支柱型,其中復合支柱型具有更好的防污閃能力和免清潔特性,作為首選推薦。
HGW9-12隔離開關結構特征
隔離開關由底座,支柱絕緣子,導電部分,保險鉤等部分組成,采用閘刀式結構分合閘達到電切斷和閉合線路.每相閘刀由兩片導電刀片組成,刀片兩側外裝有壓縮彈簧,調節彈簧的高度可以得到開關所需要的接觸壓力.開關分合閘時用絕緣鉤棒操作,便可進行分合閘運動.閘刀有自鎖裝置.
HGW9-12隔離開關技術參數
|
絕緣子材質 |
環氧樹脂 |
陶瓷 |
硅橡膠 |
|
|
額定電壓(kv) |
10 |
|||
|
額定電流(A) |
200、400、630、1000、1250 |
|||
|
額定頻率(Hz) |
50Hz/60z |
|||
|
額定雷電沖擊耐受電壓(kv) |
對地 |
85 |
||
|
斷口 |
95 |
|||
|
額定工頻耐受電壓(kv) |
對地 |
38 |
||
|
斷口 |
45 |
|||
|
隔離斷口距離 |
300mm |
|||
|
額定短時耐受電流及持續時間(KA/S) |
25KA、20KA、16KA/4S |
|||
|
額定峰值耐受電流 |
40KA |
|||
|
機械壽命 |
2000次(times) |
|||
|
絕緣子爬電距離 |
410mm |
410mm |
520mm |
|
|
型號 |
額定電壓 (KV) |
額定電壓 (A) |
4S熱穩定電流(有效值)A |
動穩定電流(峰值) A |
全波沖擊耐壓 |
工頻耐壓 |
||
|
相對地(KV) |
段口間 |
相對地(KV) |
段口間 (KV) |
|||||
|
(H)GW9-15W/200 |
15 |
200 |
12500 |
31500 |
75 |
85 |
38 |
42 |
|
(H)GW9-15W/400 |
15 |
400 |
12500 |
31500 |
75 |
85 |
38 |
42 |
|
(H)GW9-15W/630 |
15 |
630 |
12500 |
31500 |
75 |
85 |
38 |
42 |
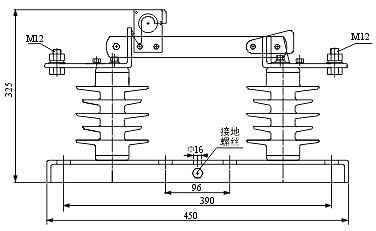
HGW9-12隔離開關尺寸圖
















